CMD-10PB
-
型号
: CMD-10PB -
接点构造
: 触点构造 -
动作形态
: NC/NO -
触头材质
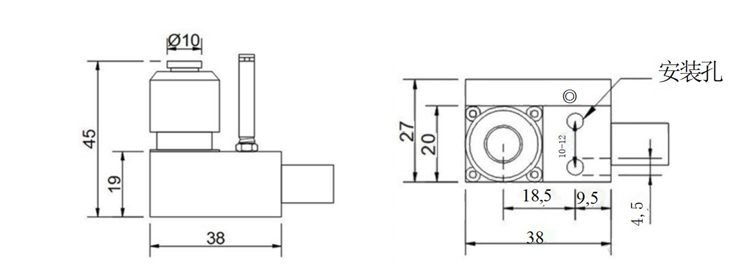
: 钨钢平面Φ10 -
行程
: 5mm -
外壳材质
: 铝合金 -
重复精度
: 对刀精度±0.001 -
使用温度范围
: 0℃~80℃(不得结冰) -
接触力
: 2N -
保护结构
: IP68 -
接点额定值
: DC5V~DC24V 稳态电流10mA以下(突然电流20mA以下) -
接点精度寿命
: 500万次
CMD‑10PB 对刀仪为接触式在线对刀仪,精度0.001μm,接触力2N,防护等级IP68,防油防水防尘,稳定对刀,满足精密加工要求,无预行程,响应速度快,可在机床上实时测量刀具长度、半径,并自动补偿加工偏差,适用于各类数控加工中心、雕铣机等设备,尤其在精密零件批量生产中优势明显。




