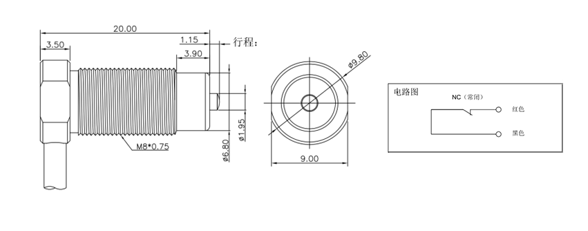
CSM8SPB
-
型号
: CSM8SPB -
接点构造
: 接点构造 -
动作形态
: B:NC -
外壳材质
: SUS304 -
触头材质
: SUS HRC50 -
接触力
: 1.2N -
使用温度
: 0℃~80℃(不得结冰) -
保护结构
: IP40 -
触头
: 白钢加硬测头 -
重复精度
: 0.001(范围)(条件:操作速度50~200mm/min) -
接点额定值
: DC5V~DC24V 稳态电流10mA以下(突然电流20mA 以下) -
接点精度寿命
: 500万次 -
行程
: 1.5mm
CSM8SPB接触式定位开关,具有较高的重复精度,可达 ±1μm,能为精密加工和检测提供准确的数据支持,确保工件的加工精度,开关无迟滞现象,可进行小位移的连续检测,采用不锈钢材质,防护等级达到 IP67,可耐受油污、粉尘、潮湿等恶劣环境,通过严格的浸水试验,能在恶劣的工业环境下稳定工作。



