CHM6A

  • 型号 CHM6A
  • 输出方式 NPN常开型输出(15mA)
  • 重复精度 ±0.001mm
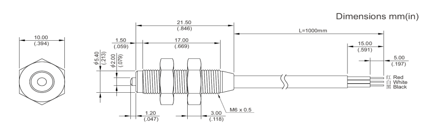
  • 安装螺纹 M6×0.5
  • 接触力 1.2N
  • 电源电压 DC3.0~26.4V
  • 行程 1.2mm
  • 动作前移动距离 约0.5mm
  • 回差 0.02~0.08mm
  • 防护等级 IP65
  • 外壳材料 SUS303
  • 触头材料 SUS303
  • 使用温度 0℃~80℃ 不得结冰

CHM6A无触点触摸传感器,高重复精度定位传感器,精度±0.001mm,可替代麻电子限位开关 NPN常开,主体材质通常选用不锈钢等坚固耐用的材料,与一些高性能树脂配合,使得传感器具备极强的抗磨损和抗疲劳性能,寿命可达到 500 万次甚至更高的耐久性,能够保持稳定可靠的工作状态,减少因传感器故障导致的设备停机时间,降低维护成本,适用于诸如汽车制造生产线、自动化装配设备等高强度使用环境。

200.00

分享到

描述

        CHM6A无触点触摸传感器 高重复精度定位传感器 替代限位开关 NPN常开,寿命可达到 500 万次甚至更高的耐久性,能够保持稳定可靠的工作状态,减少因传感器故障导致的设备停机时间,降低维护成本,适用于诸如汽车制造生产线、自动化装配设备等高强度使用环境。图片关键词

产品特点   

1.安装简单可调节型传感器。

2.无触点,可在潮湿腐蚀环境使用。

3.NPN常开输出。

4.动作点偏差小:±1μm的重复精度

5.客户自定义线长和端子。

6.金属外壳密封设计,可工作恶劣环境。 

7.性能稳定,寿命超长。


产品尺寸图
图片关键词
规格参考/接线图
图片关键词

图片关键词CHM6A-BL.docx


导航
首页
产品
新闻
联系